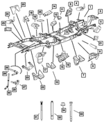
Frames for 2008 Dodge Ram 3500
No.
Part # / Description / Price
Price
13
Transmission Cross-Member
Mopar
Mopar Description: The Mopar Crossmember-Transmission, part number 68020526AA, is an essential component of the vehicle's drivetrain system. It provides support for the transmission and is critical for maintaining the proper alignment and stability of the transmission during ...
14
Vapor Canister Bracket
Mopar
Mopar Notes: Engines: 5.9L I6 HO CUMMINS TD ENGINE. 6.7L I6 CUMMINS TURBO DIESEL ENGINE. All V8 Engines.
Description: 140 & 160 Inch Wheel Base.
27
Exhaust Pipe Support Rod
Mopar
Mopar Description: Extension. Muffler Rear. Muffler Front. Exhaust hanger rear. Muffler rr.
31
Hex Flange Head Screw
Mopar
Mopar Description: Fuel Tank To Crossmember M10x1.50x144.50. Fuel Tank Crossmember To Rail. M14x2.00x80.00. Frame to Rear Fuel Tank Strap.
Out of Stock
Out of Stock
32
Double Ended Stud
Mopar
Mopar Description: Frame to Front Fuel Tank Strap. M10-1.50x82.50. M10x1.50x89.50. C-pillar to crossmember. Fuel Tank Strap Stud. F/Tank To C/Member. M6x1.00x18.00.
Out of Stock
Out of Stock
33
Hex Head Screw
Mopar
Mopar Notes: Engines: 5.9L I6 HO CUMMINS TD ENGINE. 6.7L I6 CUMMINS TURBO DIESEL ENGINE. All V8 Engines.
Description: Frame to Transmission. M14x2.0x167.00. Bellcrank to Axle. Trans Crossmember Attaching. Trans Crossmember Mounting. Bell Crank to Axle Up to 8/14/06.
34
Hex Flange Head Locking Nut, Mounting
Mopar
Mopar Description: M14x2. Frame to Transmission. Rear Spring to Front Hanger. Trans Crossmember Attaching. Trans Crossmember Mounting. Converter to Muffler. Crossmember to Differential. Differential Cover to Frame.
Out of Stock
Out of Stock
35
Out of Stock
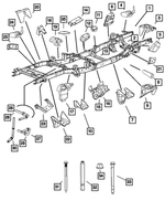
No.
Part # / Description / Price
Price
13
Transmission Cross-Member
Mopar
Mopar Description: The Mopar Crossmember-Transmission, part number 68020526AA, is an essential component of the vehicle's drivetrain system. It provides support for the transmission and is critical for maintaining the proper alignment and stability of the transmission during ...
14
Vapor Canister Bracket
Mopar
Mopar Notes: Engines: 5.9L I6 HO CUMMINS TD ENGINE. 6.7L I6 CUMMINS TURBO DIESEL ENGINE. All V8 Engines.
Description: 140 & 160 Inch Wheel Base.
27
Exhaust Pipe Support Rod
Mopar
Mopar Description: Extension. Muffler Rear. Muffler Front. Exhaust hanger rear. Muffler rr.
31
Hex Flange Head Screw
Mopar
Mopar Description: Fuel Tank To Crossmember M10x1.50x144.50. Fuel Tank Crossmember To Rail. M14x2.00x80.00. Frame to Rear Fuel Tank Strap.
Out of Stock
Out of Stock
32
Double Ended Stud
Mopar
Mopar Description: Frame to Front Fuel Tank Strap. M10-1.50x82.50. M10x1.50x89.50. C-pillar to crossmember. Fuel Tank Strap Stud. F/Tank To C/Member. M6x1.00x18.00.
Out of Stock
Out of Stock
33
Hex Head Screw
Mopar
Mopar Notes: Engines: 5.9L I6 HO CUMMINS TD ENGINE. 6.7L I6 CUMMINS TURBO DIESEL ENGINE. All V8 Engines.
Description: Frame to Transmission. M14x2.0x167.00. Bellcrank to Axle. Trans Crossmember Attaching. Trans Crossmember Mounting. Bell Crank to Axle Up to 8/14/06.
34
Hex Flange Head Locking Nut, Mounting
Mopar
Mopar Description: M14x2. Frame to Transmission. Rear Spring to Front Hanger. Trans Crossmember Attaching. Trans Crossmember Mounting. Converter to Muffler. Crossmember to Differential. Differential Cover to Frame.
Out of Stock
Out of Stock
35
Out of Stock
No.
Part # / Description / Price
Price
N/A
Hex Flange Head Bolt
Mopar
Mopar Description: M16x1.50x160.00. To Transmission Crossmember. Rack & pinion to cradle. Gear Rack to Cradle. Gear Rack to Frame. Transmission Crossmember Attaching.
Out of Stock
Out of Stock
N/A
Hex Flange Lock Nut
Mopar
Mopar Description: M10x1.50. Fuel tank to c/mbr. Fuel Tank To Front Bracket. Fuel Tank Crossmember To Frame. Side Rail Bracket Attaching. Fuel Tank Crossmember To Exhaust Hanger.
Out of Stock
Out of Stock
15
Out of Stock
16
Hex Flange Lock Nut, Mounting
Mopar
Mopar Description: M16x1.50. LCA Ball Joint to Knuckle. M16x1.5. With Snap Ring. Transmission Crossmember to Frame. Transmission Crossmember Attaching. Ball Joint Lower.
Out of Stock
Out of Stock
20
Out of Stock


